Edytuj
share
Czy tulipanowce uratują Ziemię? Badają to naukowcy z UJ i Cambridge
Analizując ewolucję drzew, naukowcy z Uniwersytetu Jagiellońskiego i Uniwersytetu w Cambridge odkryli, że tulipanowce mają odmienną ultrastrukturę drewna od pozostałych badanych gatunków iglastych i liściastych. Nowo odkryta ultrastruktura może umożliwiać im magazynowanie większej ilości węgla w wielocukrach tworzących drewno. Niewykluczone, że zrozumienie tego procesu pomoże w walce ze zmianami klimatu. Wyniki badań opublikowano w czwartek w czasopiśmie "New Phytologist".
Tulipanowiec w ogrodzie botanicznym Uniwersytetu w Cambridge. Fot. mat. prasowe Uniwersytetu Jagiellońskiego
Jak poinformowało biuro prasowe UJ, badania dotyczące ewolucji drzew wykonali dr Jan Łyczakowski z Zakładu Biotechnologii Roślin Wydziału Biochemii, Biofizyki i Biotechnologii Uniwersytetu Jagiellońskiego oraz dr Raymond Wightman z Sainsbury Laboratory Uniwersytetu w Cambridge.
Tulipanowce w naturze występują w Ameryce Północnej (gatunek Liriodendron tulipifera) oraz w Chinach i Wietnamie (gat. Liriodendron chinense). Drzewa te są wysokie, niektóre przekraczają 60 m wysokości i mają pojedynczy, prosty, późno rozgałęziający się pień. Ich piękne jesienne ubarwienie to powód, dla którego są często sadzone w ogrodach; rosną również w Polsce.
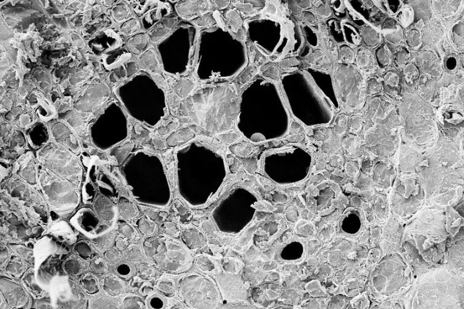
Naukowcy z Polski i Wielkiej Brytanii wykorzystali niskotemperaturowy mikroskop elektronowy, aby zobrazować ultrastrukturę wtórnych ścian komórkowych tworzących drewno. Badacze analizowali drewno 33 różnych gatunków drzew i krzewów, uwzględniając gatunki ważne dla poznania ewolucji roślin, takie jak Amborella trichopoda, wybrane gatunki gniotowców oraz wspomniane tulipanowce. Głównym celem badań było poznanie struktury makrofibryl - włóknistych struktur o średnicy 10-40 nm tworzących drewno. Aby je zmierzyć, musieli patrzeć na drewno w badanych próbkach z powiększeniem przekraczającym 50 tys. razy.
Struktura tulipanowca widziana pod mikroskopem elektronowym. Fot. mat. prasowe Uniwersytetu Jagiellońskiego
Według dr Jana Łyczakowskiego, pierwszego autora badania, analizy wykazały, że makrofibryle tworzące drewno jedynych przetrwałych do dziś gatunków tulipanowca - Liriodendron tulipifera oraz Liriodendron chinense - jest inne, niż to obecne w drzewach iglastych i liściastych.
„Co ciekawe, tulipanowce wyewoluowały 30-50 milionów lat temu w momencie, w którym atmosferyczne stężenie dwutlenku węgla znacznie spadało. Sądzimy, że struktura drewna tulipanowców może być przystosowaniem do zamykania dwutlenku węgla, którego rośliny miały coraz mniej w czasie, kiedy ewoluował badany przez nas gatunek” - wskazał naukowiec z UJ.
W opinii badaczy oba gatunki tulipanowców są bardzo dobre w wychwytywaniu dwutlenku węgla z atmosfery, a odkryta przez nich struktura drewna może im to umożliwiać. „Dlatego sądzimy, że lepsze poznanie ultrastruktury drewna oraz jego składu biochemicznego może być kluczowe, aby wiedzieć, co tym kieruje i jak duża ilość dwutlenku węgla może być zamykana w drewnie”- wskazują.
Próbki do badań pozyskano z roślin rosnących w zbiorze "Livng Collections" ogrodu botanicznego Uniwersytetu w Cambridge z pomocą kuratorki kolekcji Margeaux Apple.
Dr Raymond Wightman, współautor badań z Uniwersytetu w Cambridge oraz kierownik działu mikroskopii w Sainsbury Laboratory poinformował, że oprócz badań nad tulipanowcem praca naukowców pozwoliła na zidentyfikowanie wielu ciekawych procesów w ewolucji struktury drewna.
„Przebadaliśmy żywe skamieniałości, takie jak okrytozalążkowa Amborella trichopoda, co pozwoliło nam odkryć, że roślina ta, mimo oczywistego podobieństwa do drzew liściastych, wciąż ma makrofibryle takie, jak te obecne w roślinach nagozalążkowych, jak np. modrzew, sosna lub świerk. Dodatkowo odkryliśmy, że w nagozalążkowych gniotowcach, takich jak Gnetum gnemon lub Gnetum edule, ewolucja zbieżna doprowadziła do powstania ultrastruktury drewna obecnej w drzewach liściastych. To było dla nas duże zaskoczenie” - przyznał naukowiec.
Jego zdaniem badania prowadzone wspólnie z Uniwersytetem Jagiellońskim pokazująą, jak dużą rolę dla współczesnej nauki mają ogrody botaniczne i ich zbiory. „Nie moglibyśmy przeprowadzić tych eksperymentów bez łatwego dostępu do bogatej kolekcji ogrodu botanicznego w Cambridge oraz tego, że wysokiej klasy mikroskop elektronowy znajduje się zaraz obok rzadko uprawianych gatunków roślin, jak Amborella, Gnetum lub inna badana przez nas żywa skamieniałość Wollemia nobilis” - dodał dr Wightman.
Dr Jan Łyczakowski i dr Raymond Wightman analizowali próbki w Sainsbury Laboratory Cambridge University, w którym badacz z UJ przebywał w ramach stażu finansowanego z programu SONATINA 3 Narodowego Centrum Nauki. Badania finansowane były ze środków NCN oraz The Gatsby Charitable Foundation.
Struktura tulipanowca widziana pod mikroskopem elektronowym. Fot. mat. prasowe Uniwersytetu Jagiellońskiego